
SOS intercom SWZD-11
DESCRIPTION ITEM
1. Stainless steel 304 body for easy Installation.
2. Waterproof rating IP66 dust proof.
3. Full keypad with memory, 10 button programmable telephone.
4. Weather resistant to IP66 standard, service temperature range from -30 degree to +75 degree.
5. Lightening protection to ITU-T recommendation K.21.
6. Heavy Duty handset with hearing Aid compatible receiver, Noise canceling microphone.
7. Handset with industrial strong armored cord .
8. Metal keypad keep waterproof and dusty proof.
9.Phone integrity wiring to enable the telephone system to check if the telephone unit is still
Operational.(If PABX have this available we can provide this function).
10. Optional 7 minute time out to release the line if the handset is left off hook. This function upon buyer’s requirement).
11. The housing covered with a layer of reflective label for easy identification at night.Optional
12. Application: Tunnel, metro, railway, LRT, speedway, marine, ship,offshore, mine, power plant, bridge etc.
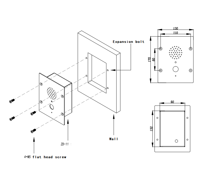
INSTALLATION

CERTIFICATION
EN55022: emissions EN55024: immunity
Ingress Protection: GB4208-93 IP66 FCC ITU-T Recommendations K21
EMC: EN50121(Railway application-Electromagnetic Compatibility)
PACKAGING
Unit size:170*130*60mm Unit: N.W:0.65KG
1pcs packing box size: 200*140*100mm Unit N.W:0.65KG Unit G.W:1KG
12pcs in 1 outer Carton box: size: 500*360*420mm N.W:7.8KG G.W:13.1KG